基于对称“三明治”电容结构的低噪声MEMS加速度计
2026-02-25 11:22:23 来源:麦姆斯咨询 评论:0 点击:
MEMS加速度计具有微型化、低成本、低功耗以及鲁棒性等特点,是智能设备中的基础运动感知单元。“三明治”电容式MEMS加速度计采用垂直堆叠结构,将可动惯性质量块置于上下两个固定电极之间,构成差分电容检测单元。这种对称差分结构在性能方面具有多项关键优势。首先,差分输出不仅能够放大有效信号,还可天然抑制共模(common-mode)干扰,从而提高灵敏度和信噪比。其次,该结构具有更好的线性度、更低的交叉轴灵敏度以及更鲁棒的抗过载能力,其中抗过载能力通常通过集成机械限位结构加以增强。因此,这类高性能加速度计已成为汽车电子(例如ESP、气囊)、工业自动化(例如平台稳定控制、倾角检测)、惯性导航以及高端消费电子等高要求应用领域的优选方案。
据麦姆斯咨询报道,近日,电子科技大学和中国科学院半导体研究所的研究人员组成的团队提出了一种高性能MEMS加速度计,采用对称差分“三明治”电容结构。通过将正交矩形补偿方法与湿法各向异性刻蚀工艺相结合,实现了结构的高对称性。该MEMS加速度计采用新型的玻璃-硅复合盖板,上下盖板通过阳极键合与敏感结构封装在一起,从而有效地降低了寄生电容。
仿真结果表明,该MEMS加速度计的敏感轴(Z轴)谐振频率与正交/扭转模态之间具有充分的频率分离度,保证了较低的交叉轴耦合。所制备器件在0~8 g测量范围内表现出高灵敏度(0.2216 V/g)和优异的线性度(99.842%)。此外,该器件还具有出色的噪声性能(7.88 µg/√Hz)和零偏不稳定性(6.39 µg),在性能上可与商业化产品相竞争。所提出的结构设计与工艺方案为高精度惯性传感应用提供了一条可行的技术路径。上述研究成果以“A Low-Noise MEMS Accelerometer Based on a Symmetrical Sandwich Capacitor Structure”为题发表于Micromachines期刊。
MEMS加速度设计与制造
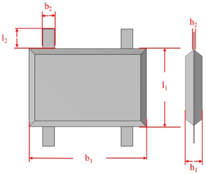
该MEMS加速度计的工作原理基于牛顿第二定律,器件的核心敏感结构由质量块及支撑该质量块的弹性梁组成(如图1所示)。该敏感结构包含七个关键参数:其中b₁、l₁和h₁分别表示质量块的长度、宽度和厚度;l₂、b₂和h₂分别表示弹性梁的长度、宽度和厚度;Gap表示质量块与电极板之间的初始间隙。

图1 MEMS加速度计的敏感结构及其关键参数示意图
研究人员在COMSOL Multiphysics 6.1仿真软件中建立了摆式敏感(pendulum-sensitive)结构的几何模型。在该模型中,敏感惯性质量块通过四根弹性梁悬置并连接至外框架。随后采用有限元分析(FEA)对结构在X、Y和Z三个方向上的谐振频率进行了计算,其中Z轴被定义为器件的敏感方向。
有限元仿真结果(图2)表明,该结构的一阶谐振模态对应于敏感Z轴方向,其谐振频率为13,256 Hz。该频率显著低于X轴(109,772 Hz)和Y轴(256,110 Hz)方向的谐振频率,以及平面外扭转模态(30,091 Hz)。图3给出了在1 g加速度作用下三个方向的位移情况。

图2 敏感结构谐振模态仿真结果:(a)X轴;(b)Y轴;(c)Z轴;(d)面外扭转模态

图3 敏感结构在1 g加速度作用下的总位移:(a)Z轴;(b)X轴;(c)Y轴
摆式敏感结构采用双面抛光硅片,通过四甲基氢氧化铵(TMAH)各向异性湿法刻蚀工艺制备。首先,在硅片正反两面刻蚀形成用于定义盖板间距的空腔;随后,通过湿法刻蚀工艺释放敏感惯性质量块及其弹性支撑梁结构。硅-玻璃复合盖板单独制备:其阶梯结构通过深硅刻蚀形成,随后与玻璃晶圆进行阳极键合。之后采用玻璃回流工艺填充硅槽,再通过研磨和化学机械抛光(CMP)重新暴露硅表面。最后,采用磁控溅射工艺沉积图形化金属电极(如图4所示)。所制备的玻璃-硅复合盖板展现出显著的寄生电容抑制能力。

图4 MEMS加速度计盖板
在TMAH中对硅进行各向异性湿法刻蚀时,由于某些晶面刻蚀速率较快,会导致凸角出现“下蚀(undercutting)”现象。当用于MEMS加速度计的惯性质量块制备时,这种下蚀可能严重扭曲结构。常用的解决策略是凸角补偿,即在光刻掩膜的凸角处添加辅助几何特征(例如方形或条形)。这些辅助特征会改变局部刻蚀前沿的推进,使刻蚀液优先作用于补偿图形,从而保护实际器件凸角的完整性。对于(100)硅片,常见的补偿设计包括方形、叠加方形、定向条形以及正交矩形。如图5所示,正交矩形补偿能够显著抑制质量块凸角的下蚀。

图5 不同凸角补偿方案的效果
在摆式敏感结构层与硅-玻璃复合盖板分别完成制备后,研究人员对器件进行了组装。首先,将上、下复合盖板与中间敏感结构层进行高精度对准;随后,通过阳极键合工艺将三层结构永久键合在一起。该步骤形成了密封的差分电容检测单元,并完成了MEMS加速度计的三维封装。整体工艺流程如图6所示。

图6 MEMS加速度计制备工艺流程
最终,将MEMS加速度计芯片与检测电路的ASIC芯片一并封装于外壳内,形成完整的加速度计封装组件(如图7所示)。

图7 MEMS加速度计封装组件及其测试板
性能表征
在室温(22 °C)下对MEMS加速度计的输出响应进行了测试,其灵敏度曲线如图8所示。可以看出,加速度计的输出值与输入加速度呈线性关系,其灵敏度约为0.2216 V/g,表明本文设计的MEMS加速度计能够检测敏感轴方向(Z轴)的加速度,并具有超高灵敏度。在0~8 g范围内,加速度计的线性度为99.842%,说明本文设计的MEMS加速度计具有非常好的线性输出特性。

图8 MEMS加速度计的输出响应
零加速度输出(ZRO)是指加速度计在没有加速度输入时的输出,它可以反映加速度计的噪声水平和输出偏差。加速度计的ZRO漂移是影响其高精度性能的重要因素。本研究在室温(22 °C)下对MEMS加速度计的ZRO特性进行了测试和表征。如图9所示,MEMS加速度计的最大ZRO漂移约为0.42 mg。

图9 MEMS加速度计的零加速度输出
零偏不稳定性反映加速度计在无外部加速度输入条件下随时间变化的输出偏移特性,通常通过ZRO曲线的Allen方差或标准偏差来表征。如图10所示,加速度计的零偏不稳定性为6.39 μg,表明本文设计的MEMS加速度计具有优异的综合性能。器件的噪声功率谱密度通过对器件ZRO进行傅里叶变换获得。如图11所示,器件的噪声功率谱密度为7.88 μg/√Hz(@10 Hz),表明本文设计的MEMS加速度计具有极低的噪声特性。

图10 MEMS加速度计的Allen偏差

图11 MEMS加速度计的噪声功率谱密度
小结
综上所述,本研究成功开发了一种对称差分电容式MEMS加速度计。通过湿法刻蚀与凸角补偿工艺,实现了高对称性的敏感结构;结合玻璃-硅复合盖板及三层阳极键合封装,有效降低了寄生电容。仿真与测试结果表明,MEMS加速度计的敏感轴(Z轴)与正交轴模态频率具有充分的分离,交叉耦合较低。器件具有高线性度(99.842%)和高灵敏度(0.2216 V/g);同时表现出优异的低噪声特性(噪声功率谱密度7.88 μg/√Hz)和低零偏不稳定性(6.39 μg)。所提出的MEMS加速度计的设计与工艺方案为实现高性能微惯性传感提供了有效途径,适用于高精度惯性导航、平台稳定控制及工业监测等领域。
论文链接:https://doi.org/10.3390/mi17020271
延伸阅读:
《高端MEMS加速度计分析:赛峰Colibrys MS1010和美新MXA2500M》
《Senonor MEMS惯性测量单元(IMU)STIM318产品分析》
《村田MEMS惯性测量单元(IMU)SCHA63T产品分析》
《村田MEMS惯性测量单元(IMU)SCH1633产品分析》
